Skiv- / kapfräs med krage Bredd ap 3,1 mm
!
Pris saknas på produkten. Vänligen kontakta din Ravema-representant.
Produktbeskrivning
Utförande
Högeffektivt kapfrässystem med flexibelt utförande som krage och kostnadseffektivt stålblad eller krage och precisionstillverkat och temperaturbeständigt HSS-blad.
Användningsdata
För spårfräsning och kapfräsning. För serietillverkning med krav på hög repeternoggrannhet rekommenderas HSS-blad.
Anmärkning
Skiv- / kapfräsar kan anskaffas upp till ⌀ D = 200 mm.
HSS-reservblad kan efterbeställas som tillbehör.
Observera
Monteringsnyckeln nr 279940 ska beställas separat.
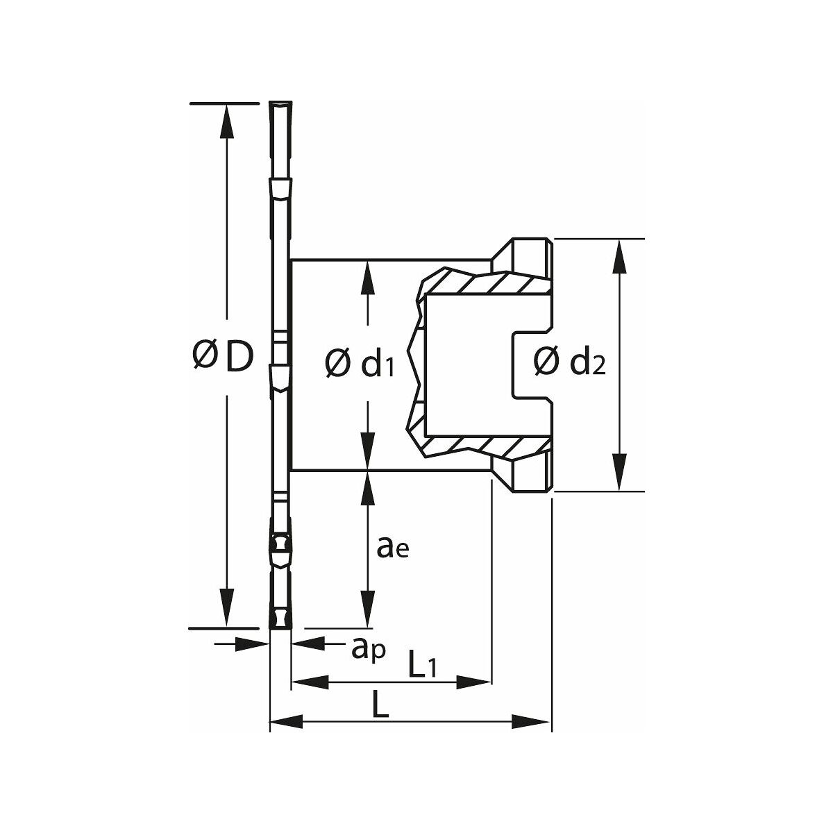
Teknisk data
| Produktslag | Skivfräsar |
|---|---|
| Skärmaterial | HSS |
| Invändig kylning | nej |
| Skaftutförande | med hål |
| Bredd ap | 3.1 mm |
| Skärdjup ap min | 0.01 mm |
| Antal skär z | 15 |
| Diameter ⌀ | 160 mm |
| Spänndiameter d1 | 80 mm |
| Fästhåls⌀ | 40 mm |
| Grundhållardiameter d2 | 80 mm |
| Antal skär z | 15 |
| Passande vändskär | XC.. 1125 |
| Total längd ltot för ap 2,2 mm | 65 mm |
| Maximalt inskärsdjup ae max | 40 mm |
| Total längd ltot för ap 3,1 mm | 65.8 mm |
Media
| ToolScout | https://toolscout.com/processdata?articlenumber=218428&lng=sv |
|---|---|
| Materialnyckel | materialnyckel.pdf |
Produktspecifikation
| Artikelnummer | 218428 |
|---|---|
| EAN | 4045197534026 |