T-spårfräs obelagd
Styckpris:
800 kr
Produktbeskrivning
Utförande
Fräsen skär på periferin och på båda sidor.
Växelvis ställda tänder (sicksacktandning) bidrar till höga skärprestanda.
Anmärkning
För fräsning av T-spår enligt DIN 650 i uppspänningsbord och fixturer.
Teknisk data
| Produktslag | Spårfräs |
|---|---|
| Skärmaterial | HSS Co 5 |
| För material (färgring) | Utan |
| Tolerans nom.-⌀ | d11 |
| Beläggning | obelagd |
| Invändig kylning | nej |
| Fräsprofil | m. sicksacktandning |
| Matningsriktning | horisontell |
| Hörnfasvinkel | 90 grad |
| Infästning | DIN 1835 B |
| Skafttolerans | h6 |
| Spiralvinkel | 15 grad |
| Skärdjup ap min | 0.01 mm |
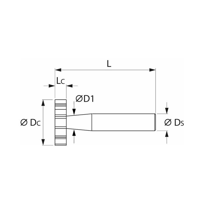
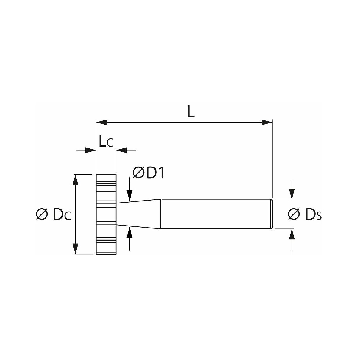
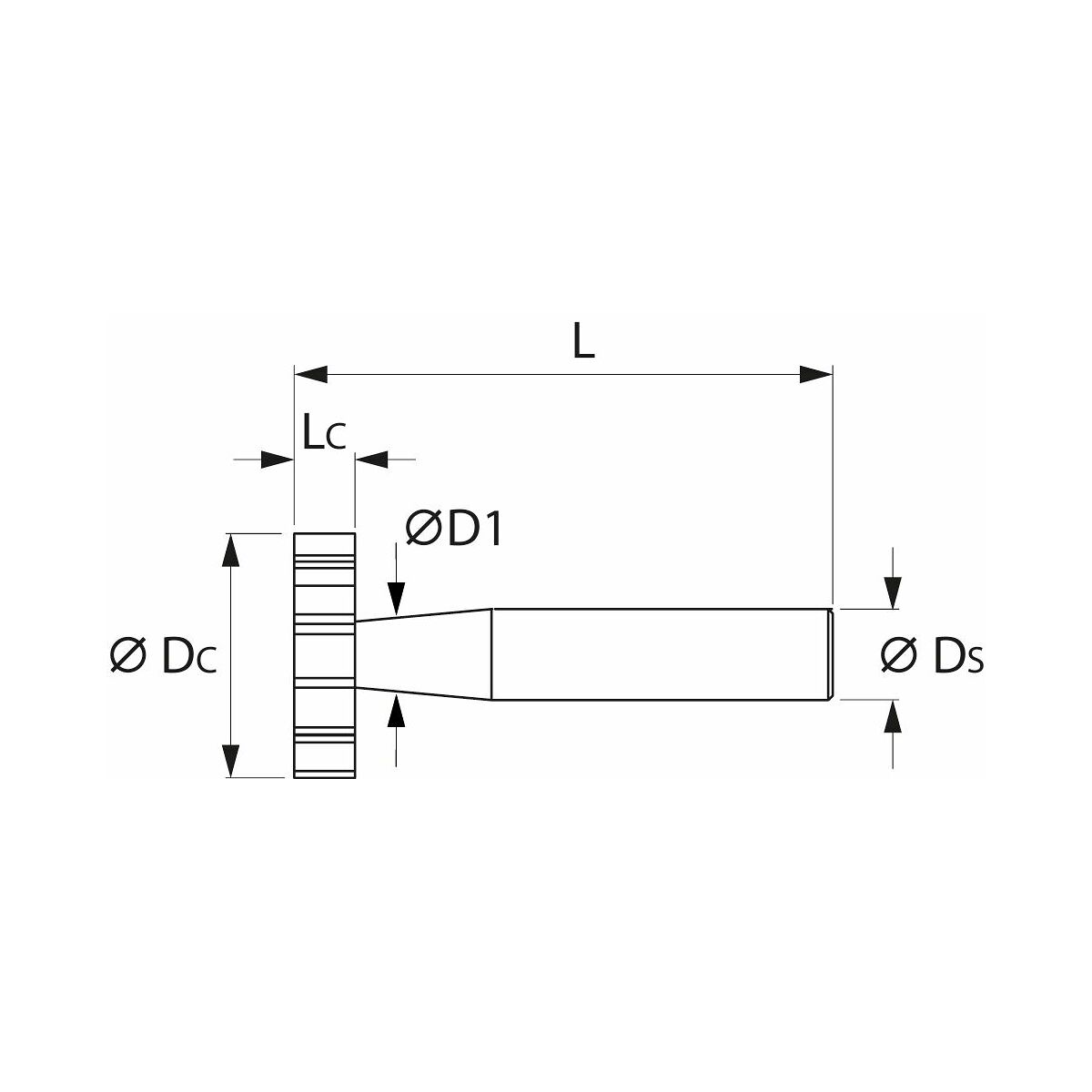
| Friställningsdiameter d1 | 7 mm |
| Skärlängd lc | 8 mm |
| Matning fz i stål < 750 n/mm2 | 0.06 mm |
| För t-spårdin 650 | 8 mm |
| Antal skär z | 6 |
| Diameter ⌀ | 16 mm |
| Fräsdjup ap max. | 8 mm |
| Korrigeringsfaktor fz | 1.25 |
| Effektivt antal skär zeff | 3 |
| Skaftdiameter ds | 10 mm |
| Totallängd l | 62 mm |
| Maximalt sågdjup ap max vid valsfräsning | 8 mm |
Användningsdata
| Lämplighet | Vc | ISO-Kod | |
|---|---|---|---|
| Aluminium, plast | mindre lämplig | 250 m/min | N |
| Alu (kortspånig) | lämplig | 70 m/min | N |
| Cuzn | mindre lämplig | 35 m/min | N |
| Stål < 500 n/mm² | lämplig | 35 m/min | P |
| Gg(g) | mindre lämplig | 22 m/min | K |
| Stål < 750 n/mm² | lämplig | 28 m/min | P |
| Vått maximal | lämplig | ||
| Uni | lämplig |
Media
| ToolScout | https://toolscout.com/processdata?articlenumber=194030 |
|---|---|
| Materialnyckel | materialnyckel.pdf |
Produktspecifikation
| Artikelnummer | 194030 |
|---|---|
| EAN | 4045197109545 |