Invändiga finmätinstrument KT

!

Pris saknas på produkten. Vänligen kontakta din Ravema-representant.

Varumärke
Schwenk
Artikelnummer
435125
förpackning: Stabil boxKalibrering: C4

Nedladdningsbara filer

Produktbeskrivning

Utförande
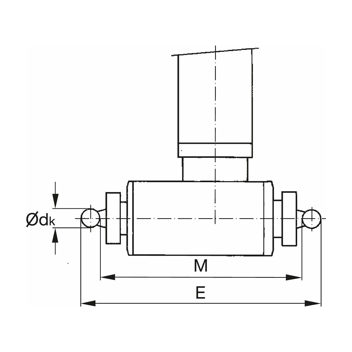
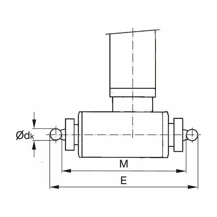
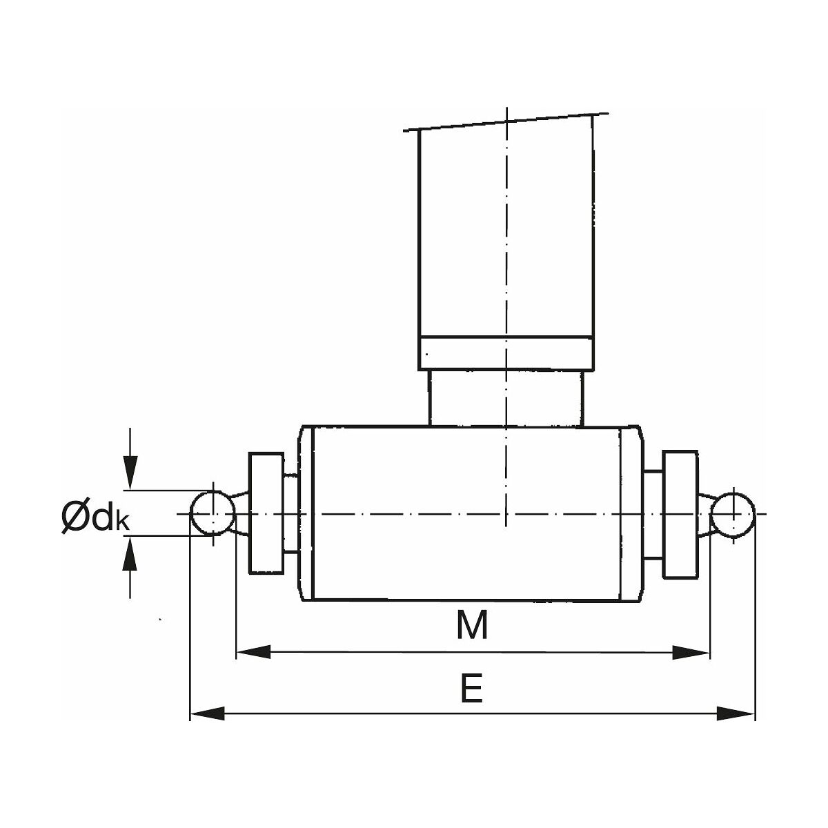
Tvåpunktsmätare, baserad på Schwenk-utförandet. För mätning av innerprofiler och -tandningar, skarpa tandningar och bomförbandprofiler. Hög noggrannhet och tillförlitlighet genom segmentomdirigering av mätspetsens väg. Täcker ett stort mätområde tack vare utbytbara mätinsatser. För infästning av kulinsatserna är mätinsatserna försedda med innergänga. Kulinsatsernas hårdmetallkulor finns redan från ⌀ 0,5 mm i steg om 0,001 mm (tolerans < 2 µm).

Leveransinnehåll
Instrumenthållare med mätspetsar och mätinsatser, utan kulinsatser och visarinstrument.

Specialtillbehör
Kulinsatser med HM-kulor, finmätur nr 434674, induktivt finmätur nr 434671, vänstergående mätur 434807 storlek 10, digitalt mätur 434322.

Anmärkning
Utförande som mätdorn för säker och snabb mätning utan pendel på begäran.

Teknisk data

Kalibrering Pris på förfrågan
Produktslag 2-punkts invändigt precisionsmätur
Förpackning Stabil box
Mätområde 55 - 250 mm
Mätdjup 177 mm
Antal mätskivor 3
Antal mätspetsar 7
Repeternoggrannhet utan mätur 0.5 µm

Produktspecifikation

Artikelnummer 435125
EAN 2050001051066
Lägg till i varukorgen