Induktiv längdmätningsgivare axiell Set 10 delar

!

Pris saknas på produkten. Vänligen kontakta din Ravema-representant.

Varumärke
Tesa technology
Artikelnummer
434776
Lagerstatus
Ej i lager
Kalibrering: Pris på förfrågan

Nedladdningsbara filer

Produktbeskrivning

Utförande
Mångsidigt användbar längdmätningsgivare för hög precision.

  • Exakt, kulstyrd mätspets.
  • Hög mätprecision tack vare elektronisk mätsignalsförstärkning.
  • Spännskaft ⌀ 8 mm, kan spännas i hela sin längd.
  • Okänslig för temperatursvängningar och sidokrafter genom kullagring.
  • Mycket god elektromagnetisk avskärmning.

TESA längdmätningsgivare har enastående repeterbarhet, hållbarhet och lång livslängd.

Användningsdata
Universellt användbar för alla mätuppgifter med stora krav på noggrannhet, framför allt inom produktion och verkstad.

Leveransinnehåll
Set med 10 x mätspets nr 434775.

Specialtillbehör
Mätinsatser, mätkraftfjädrar.
Funktion
IP65: Skydd mot spolvatten från alla riktningar och skydd mot inträngande damm (dammtät), samt komplett beröringsskydd.

Teknisk data

Kalibrering Pris på förfrågan
Produktslag Pickup
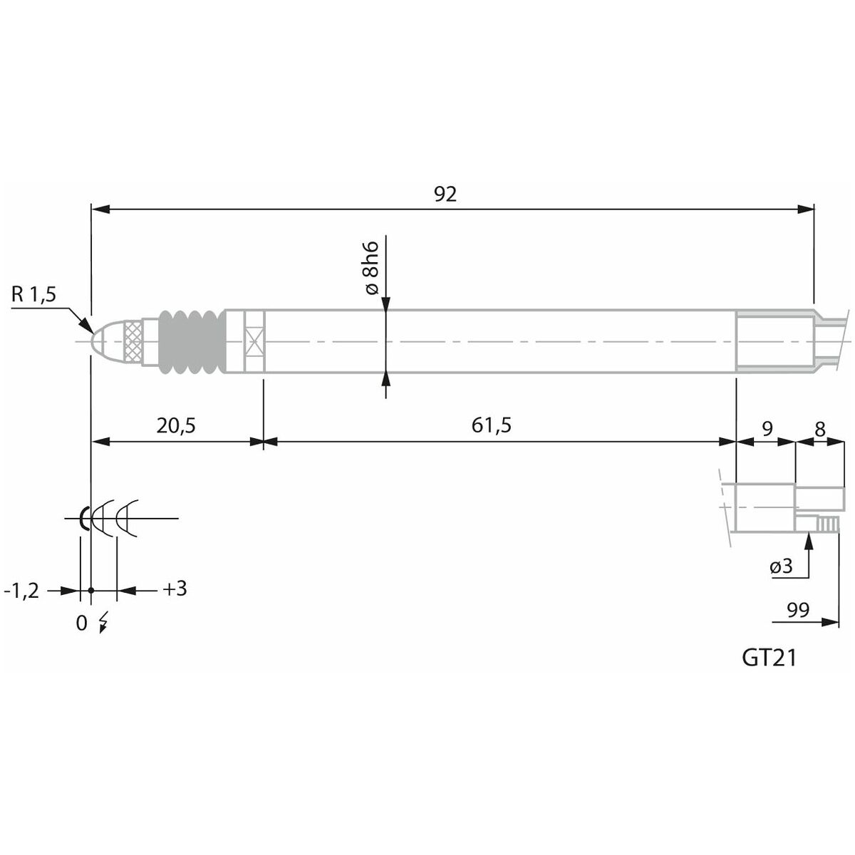
Mätområde ± 1 mm
Repeterbarhet 0.01 µm
Kompatibilitet TESA
Mätkraft vid den elektriska nollpunkten 0,63 N
Ip-skyddsklass IP 65
Tillverkarens beteckning GT21
Mätspetsväg 4.3 mm
Linjäritetsavvikelse (l=mätlängd i mm) 0,2 + 3 × L³ µm
Mätstiftslyftning mekanisk
Skyddsbälg Nitril

Produktspecifikation

Artikelnummer 434776
EAN 7630041113457
Lägg till i varukorgen