Mätstativmed finjustering på magnetfot

!

Pris saknas på produkten. Vänligen kontakta din Ravema-representant.

Varumärke
Noga
Artikelnummer
441195
Lagerstatus
I lager

Nedladdningsbara filer

Produktbeskrivning

Utförande
3-punktsfastklämning av mätpelare med mycket korta klämningsvägar för maximal användarkomfort. Med mycket låg manuell kraft alstras en varaktig och stabil fastklämning.
Massivt dimensionerat stång system som ger maximal systemstyvhet.
Vario-mätarhållare för skaft-⌀ 6 mm, 8 mm, 3/8 tum, vippindikatorer med laxstjärtstyrning och mätur med öglebakdel.
Finjustering på magnetfoten. Fördel vid justering av µm-vippindikatorer, eftersom pelaren inte påverkas av handkraft.

Specialtillbehör
Mäturshållare nr 440401.

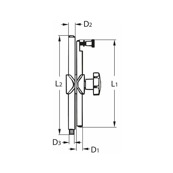
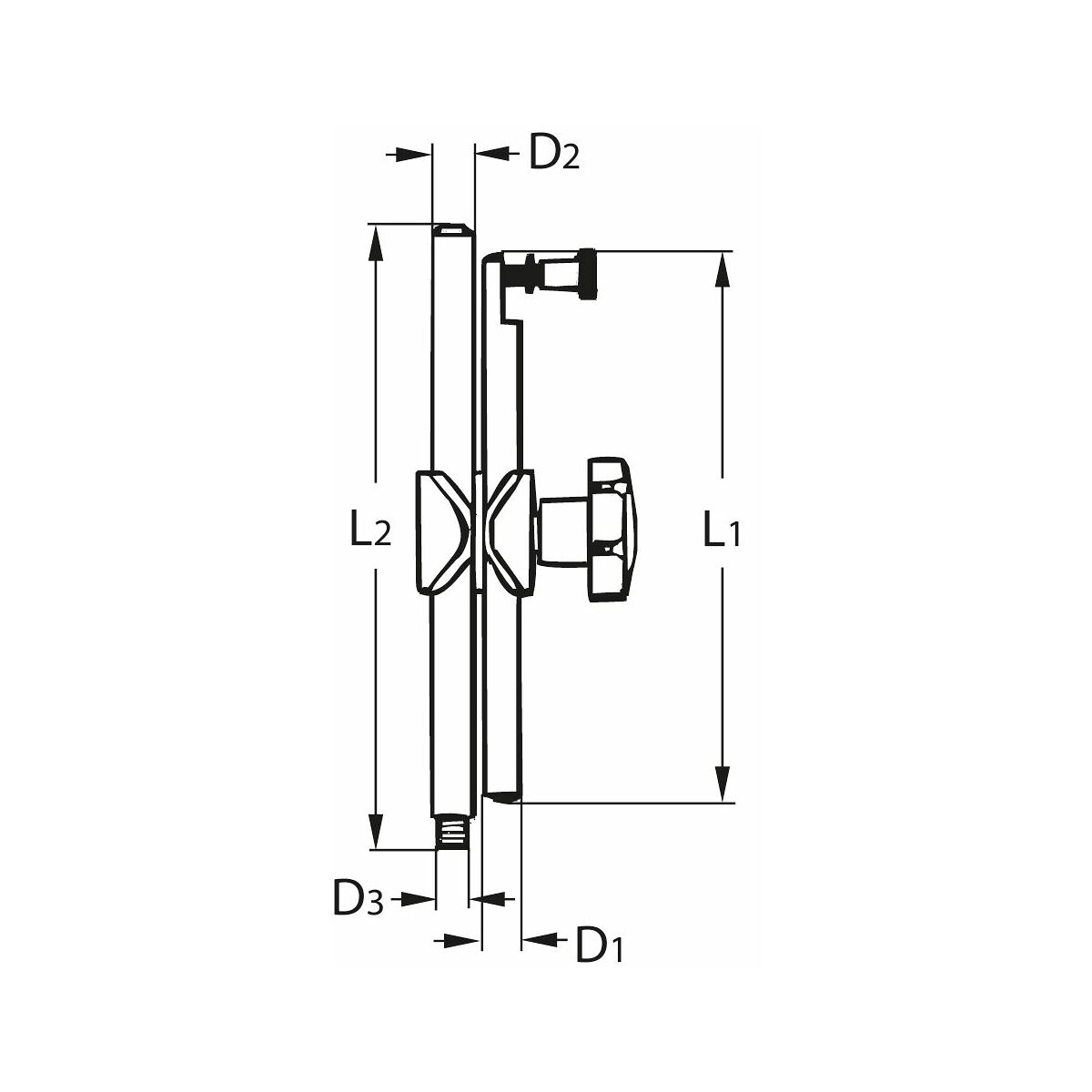
Teknisk data

Produktslag Mätstativ
Anslutningsgänga M8 utvändig gänga
Magnetfot, bredd 50 mm
Magnetfot, längd 75 mm
Magnetfot, höjd 55 mm
Hållkraft ca. 1000 N
Pelarens diameter d2 16 mm
Tvärarmens diameter d1 16 mm
Pelarens höjd l2 260 mm
Tvärarmens längd l1 225 mm

Produktspecifikation

Artikelnummer 441195
EAN 7290005398797
Lägg till i varukorgen