VDI-hållare
Styckpris:
1 421 kr
- Varumärke
- Garant
- Artikelnummer
- 319292
- Lagerstatus
- I lager
Nedladdningsbara filer
Produktbeskrivning
Norm
DIN 69880 / VDI 3425 blad 2.
Utförande
Snabbväxlingsadaptrar nr 319285; 319286; 319289 skruvas in direkt i hållaren. Mycket stabil kombination med minimal utkragning.
Snabbytessystem borrstång.
Användningsdata
För invändig bearbetning med borrstänger.
Leveransinnehåll
Inklusive hylsmutter med utvändig gänga.
Anmärkning
Förinställning t.ex. via GARANT 354760 stl. VG1 eller 355010 VGBASIC med reducering nr 354773 (hylsa nr 313291 stl. 25 med ytterligare reducering nr 319426;319428 vardera i stl. 40/32).
Även direkt fastspänning av ER-spännhylsor är möjlig.
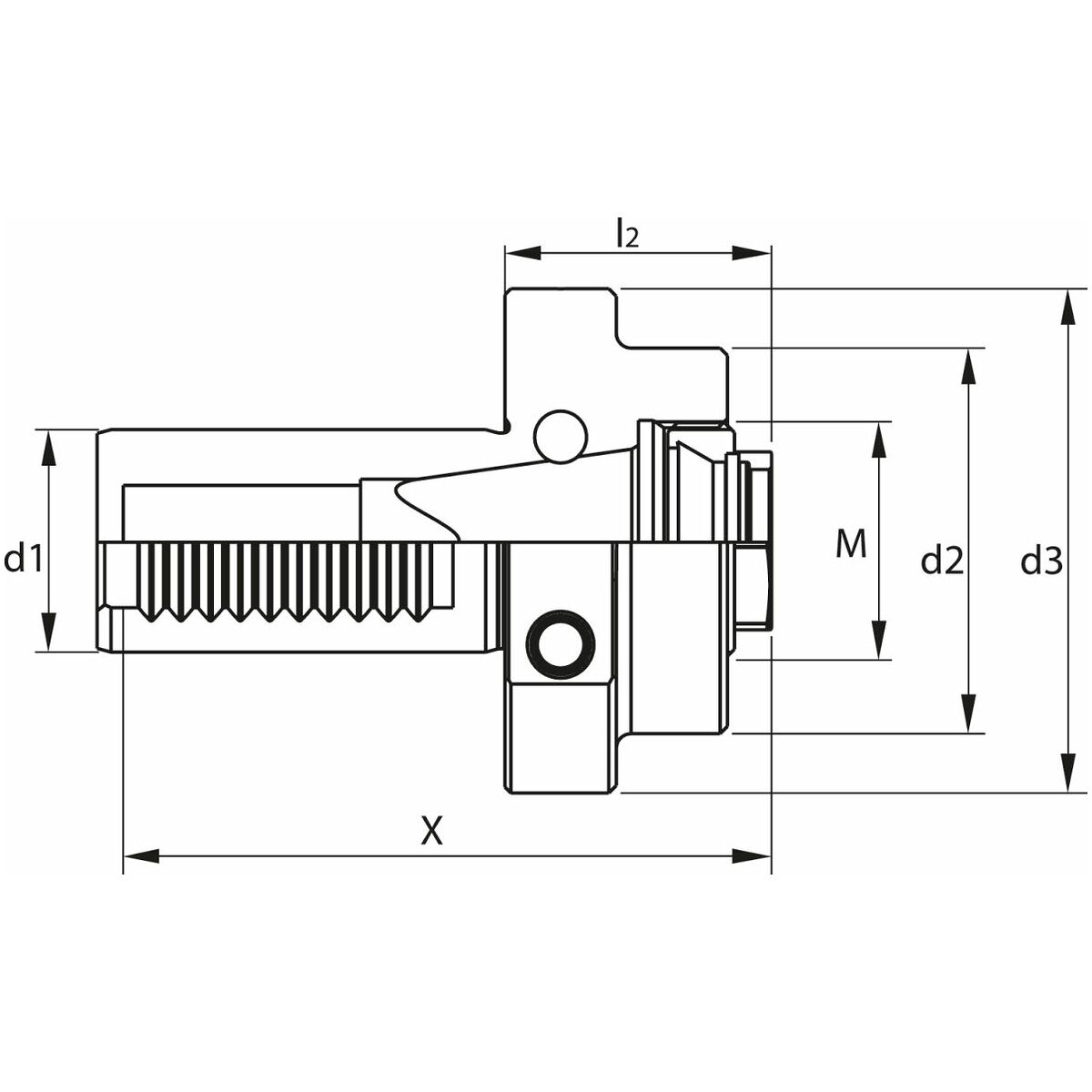
Teknisk data
| Produktslag | Snabbytesadapter |
|---|---|
| L2 med växlingsadapter | 101 mm |
| L2 med spännhylsa er | 69 mm |
| Gängam | M50×1,5 |
| Grundhållardiameter d2 | 65 mm |
| Utvändig diameter d3 | 83 mm |
| X med växlingsadapter | 158 mm |
| X med spännhylsa er | 125 mm |
| Utvändig diameter d1 | 40 mm |
Produktspecifikation
| Artikelnummer | 319292 |
|---|---|
| EAN | 4045197943613 |