Stegback fix
Styckpris:
2 616 kr
- Varumärke
- Allmatic
- Artikelnummer
- 361420
- Lagerstatus
- I lager
Nedladdningsbara filer
Produktbeskrivning
Passar till
Alla typer av TC, LC, Garant-NC, Titan och tidigare utförande NC.
Utförande
Fast back.
Storlek 90, 125 och 160 med klick-snabbytessystem, för nr 361440 endast i storlek 90 och 125.
Gänga för montering av högtrycksbackar pådim 125 och 160.
Material
Härdat stål, slipade ytor.
Användningsdata
För uppspänning av arbetsstycken som är förbearbetade till parallellitet. Gänga M10 och M6 för infästning av utanpåbackar med klicksnabbytessystem för klicklister och backar.
Fäste för höjdanslag på höga sidan eller låga sidan (nr 361950; 361960; 361970).
Leveransinnehåll
Inklusive monteringsskruvar. 1 stegback.
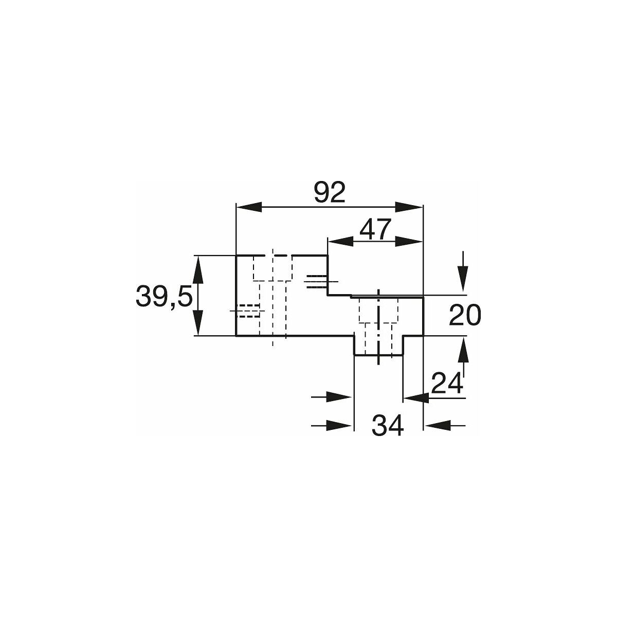
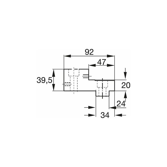
Teknisk data
| Produktslag | Skruvstycksbackar |
|---|---|
| För typ | 125 |
| Backhöjd h | 39.5 mm |
| Backbredd b | 124.4 mm |
| Backlängd l | 92 mm |
| Passar färgkod | TC; HiPo; LC; LC-GARANT; Titan; Titan2/TitanSense; LCV125G; NC8; HOLEX NC |
| Höjd h1 | 20 mm |
| Längd l1 | 43 mm |
Produktspecifikation
| Artikelnummer | 361420 |
|---|---|
| EAN | 4250364401111 |