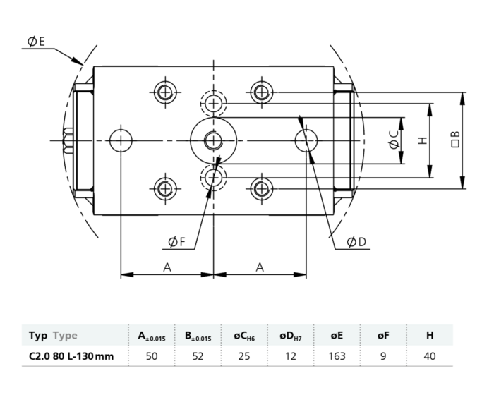
C2.0 80 L-130 mm med vändbackar
!
Pris saknas på produkten. Vänligen kontakta din Ravema-representant.
Produktbeskrivning
Centrerande skruvstyckeTeknisk data
| Produktslag | Centrerat Skruvstycke |
|---|---|
| Längd mm | 130 |
| Bredd mm | 80 |
| Höjd mm | 50 |
| Vikt kg | 4 |
| Interface | GRESSEL gredoc|LANG Quick Point 52x52 |
| Vridmoment | 90 Nm |
| Spännkraft upp till max | 25 kN |
| Spännområde B | 0–59 |
| Spännområde B1 | 5–63 |
| Spännområde B2 | 59–117 |
| Spännområde B3 | 63–121 |
| Produktslag | Centrerande skruvstycke |
| Totallängd l | 157 mm |
| Längd l | 130 mm |
| Bredd | 80 mm |
| Backbredd | 80 mm |
| Höjd h | 78 mm |
| Spännkraft upp till max | 25 kN |
| Serie | C2.0 |
Produktspecifikation
| Artikelnummer | GRCNM08000101 |
|---|---|
| Tillverkarens artikelnummer | CNM.080.001.01 |