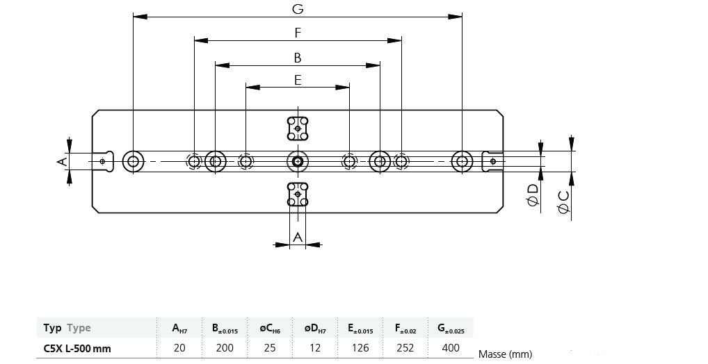
5-axligt centrerande skruvstycke C5X-M L-500 mm
!
Detta är en beställningsvara med längre leveranstid. Läs mer om våra leveranstider här.
- Varumärke
- Gressel
- Artikelnummer
- GRC5M12502301
- Lagerstatus
Nedladdningsbara filer
Styckpris:
32 512 kr
5-axligt centrerande skruvstycke C5X-L L-500 mm, höjd 252 mm. Utan backar och handtag.
Teknisk data
| Vikt kg | 38.5 |
|---|---|
| Produktslag | 5-axligt skruvstycke |
| Backbredd | 125 mm |
| Höjd h | 181 mm |
| Spännkraft upp till max | 40 kN |
| Serie | C5X |
Produktspecifikation
| Artikelnummer | GRC5M12502301 |
|---|---|
| Tillverkarens artikelnummer | C5M.125.023.01 |