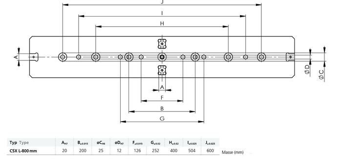
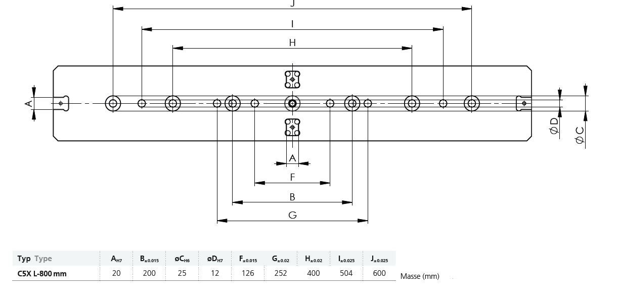
5-axligt centrerande skruvstycke C5X-L L-800 mm
!
Detta är en beställningsvara med längre leveranstid. Läs mer om våra leveranstider här.
- Varumärke
- Gressel
- Artikelnummer
- GRC5M12504501
- Lagerstatus
Nedladdningsbara filer
Styckpris:
47 715 kr
5-axligt centrerande skruvstycke C5X-L L-800 mm, höjd 252 mm. Utan backar och handtag.
Teknisk data
| Vikt kg | 59.7 |
|---|---|
| Produktslag | 5-axligt skruvstycke |
| Backbredd | 125 mm |
| Höjd h | 252 mm |
| Spännkraft upp till max | 40 kN |
| Serie | C5X |
Produktspecifikation
| Artikelnummer | GRC5M12504501 |
|---|---|
| Tillverkarens artikelnummer | C5M.125.045.01 |