Flexspanner fast
- Varumärke
- Garant
- Artikelnummer
- 360060
- Lagerstatus
- I lager
Nedladdningsbara filer
Produktbeskrivning
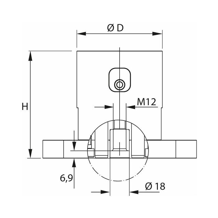
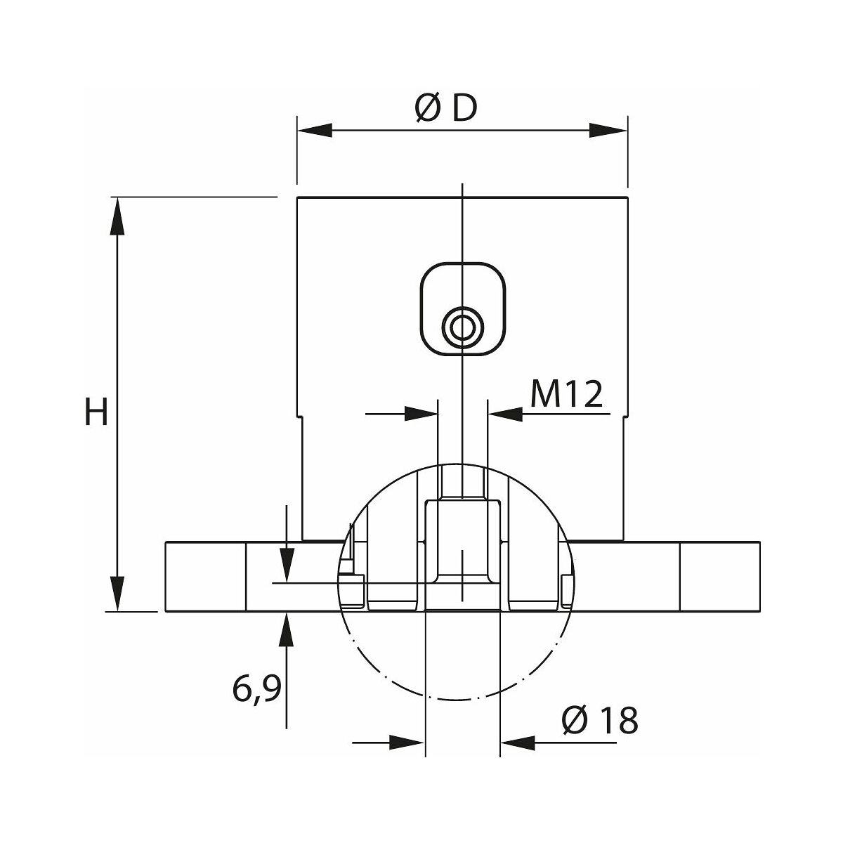
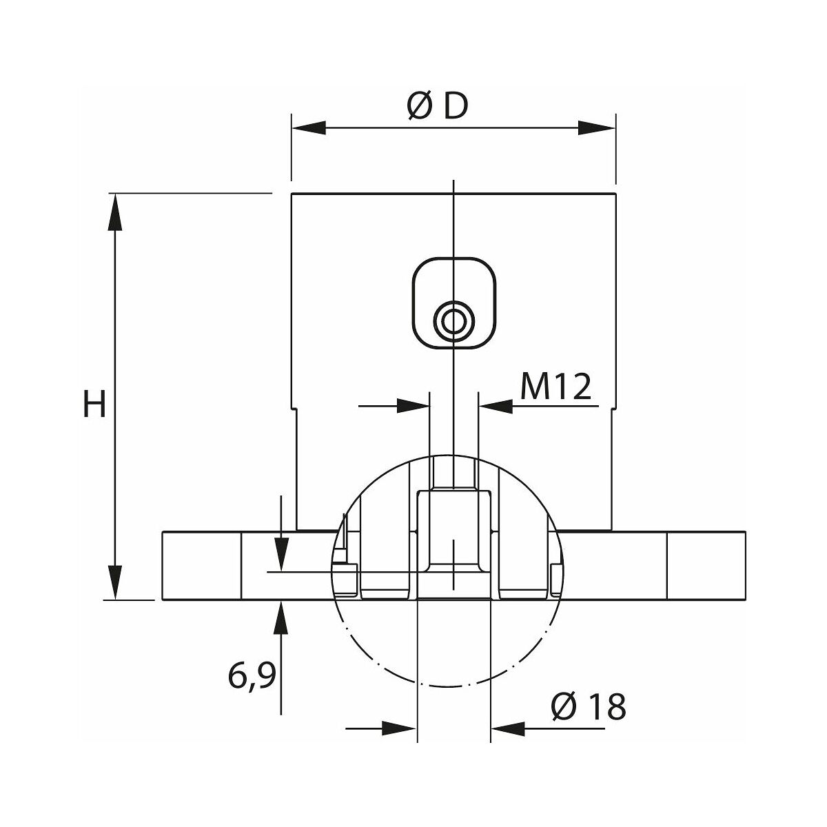
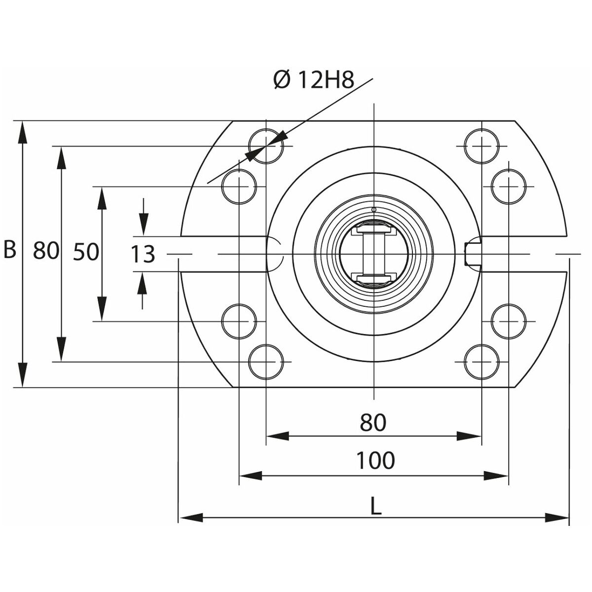
Utförande
- Grundstomme i stål med kon helt i stål.
- Mekanisk fastspänningsmekanism.
- Genom att dra åt klämskruven på sidan dras komponenten med motsvarande spännkonsol åt axiellt via 2 kilar och spänns.
- Kan monteras med spännkonsoler, T-spårklackar eller nollpunktsspännsystem med spännkonsoler nr 360066.
- Hål för nollpunktspännsystem finns redan.
Användningsdata
Enkel och exakt positionering på maskinbordet. Fastspänning av komplexa komponenter t.ex. inom formkonstruktion.
Specialtillbehör
Fastspänningsbultar nr 360025 för strl. 120, momentnyckel nr 656050 strl. 60, höjdelement nr 360068.
Utförande
Nollpunktsspänningen i GARANT ZeroClamp-systemet är en viktig funktion för moderna produktionssystem, särskilt i automatiserad produktion. Tack vare ett speciellt kontaktgränssnitt säkerställer det en exakt och tillförlitlig nollpunktsrepetitionsnoggrannhet. Systemets pneumatiska spännkraft håller arbetsstyckena säkert i önskat läge, så att ett snabb och exakt arbetsstycksbyte kan göras utan ompositionering. Detta underlättar installationen och ökar produktiviteten. Nollpunktsspänningen i GARANT ZeroClamp-systemet är oumbärlig för effektiva tillverkningsprocesser. Läs mer om GARANT ZeroClamp:s innovativa teknik och optimera din produktion.
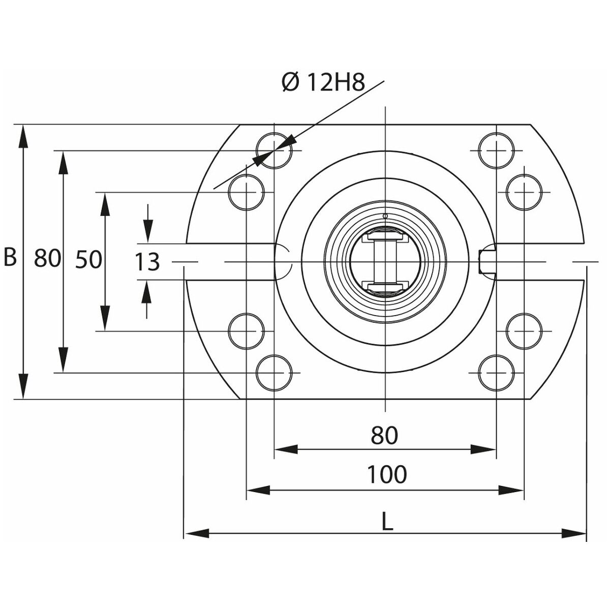
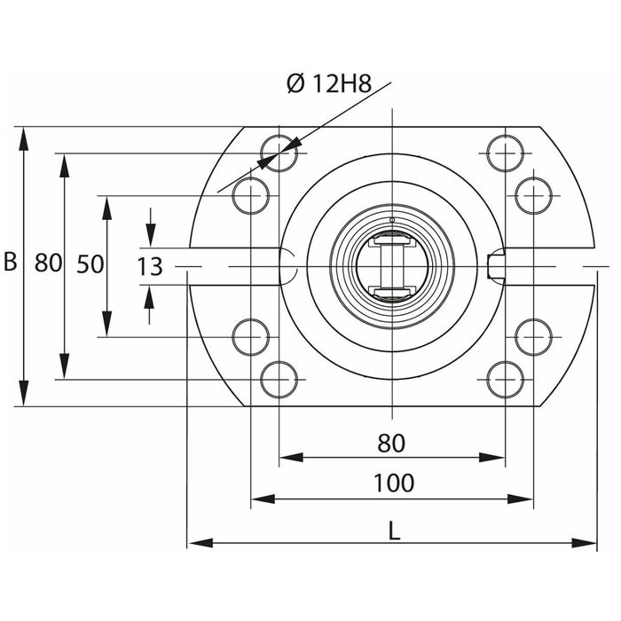
Teknisk data
| Produktslag | Spännelement |
|---|---|
| Vridmoment | 10 Nm |
| Höjd h | 100 mm |
| Bredd b | 99 mm |
| Serie | ZeroClamp |
| Kvalité/sort | 1 |
| Utvändig-⌀ d | 80 mm |
| Längd l | 144 mm |
Produktspecifikation
| Artikelnummer | 360060 |
|---|---|
| EAN | 4045197816139 |