DPC16-Z20-A=150
- Varumärke
 - Fahrion
 - Artikelnummer
 - FA62043301505
 - Lagerstatus
 
            
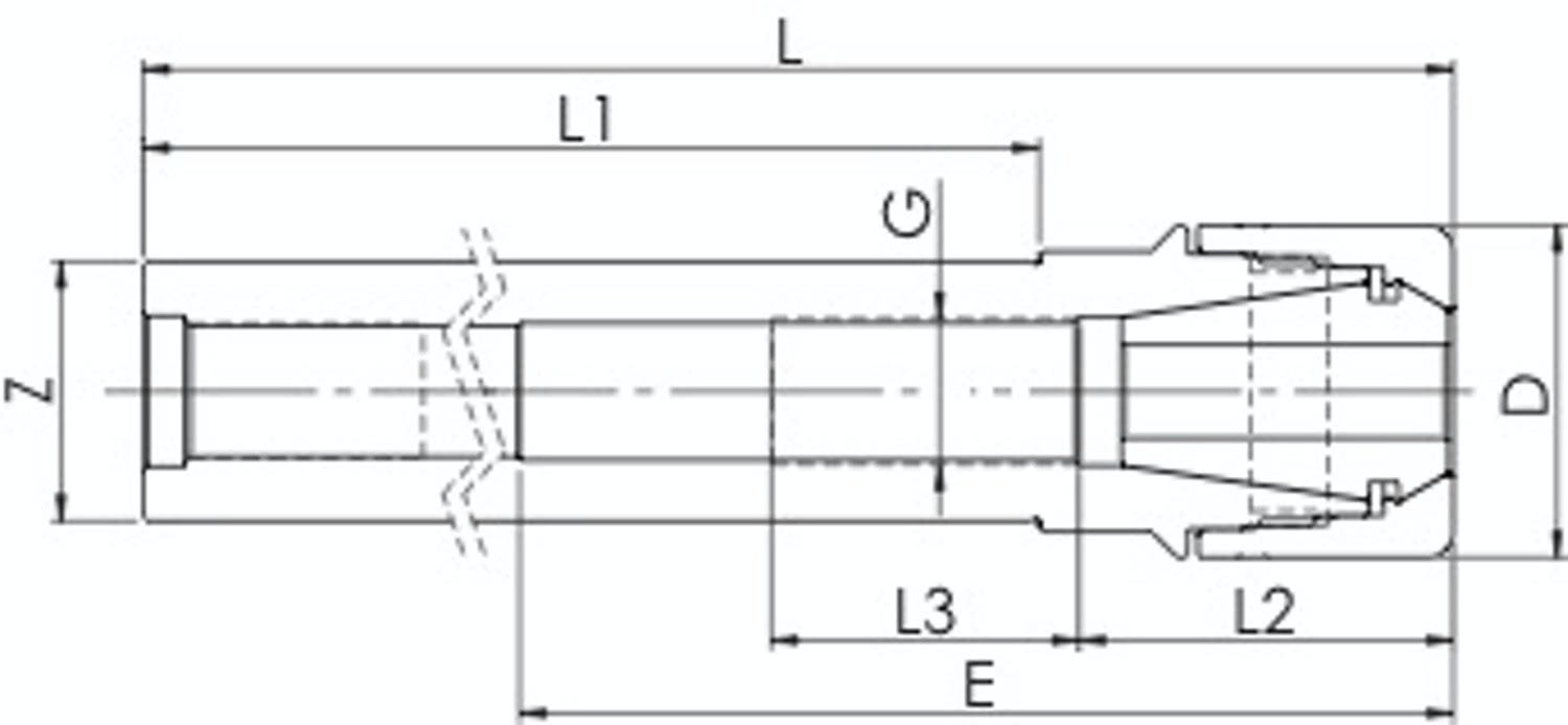
Multifunctional precision chuck, especially for finishing and HDC millingCylindrical design for less interference contours
                
        
            
                
    
            
            
            
    
        
            
                    
    
        
    Teknisk text
Chuck body and clamping nut separately balanced G2,5 at 25.000 1/min or U ≤ 1 gmmFördelar med produkt
long, precise, slimlong, precise, slimTeknisk data
| Tool Type | ER | 
|---|---|
| size of interface | 16 | 
| clamping range | ER16 - 1-10 mm | 
| Direkt från leverantör? | Fahrion | 
Produktspecifikation
| Artikelnummer | FA62043301505 | 
|---|---|
| Tillverkarens artikelnummer | 62043301505 |