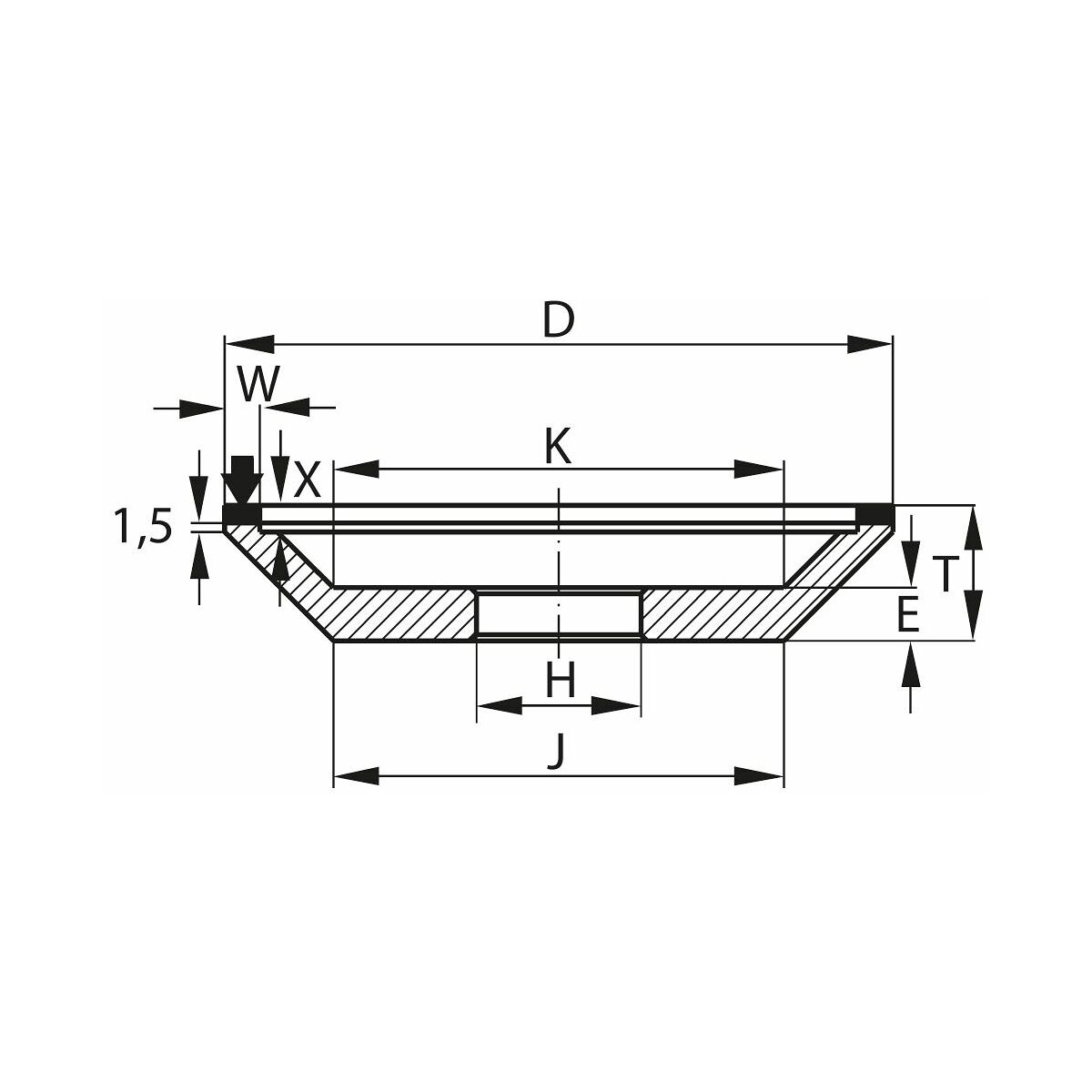
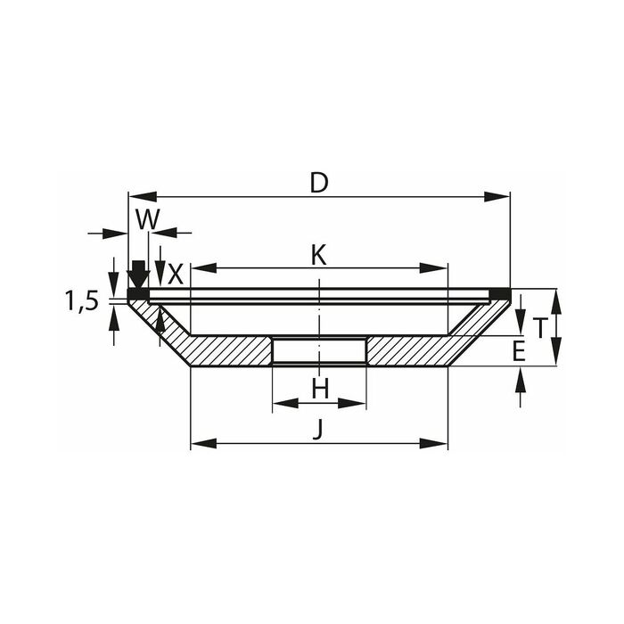
CBN-sliptallrik D×T×H (mm) B126

!

Pris saknas på produkten. Vänligen kontakta din Ravema-representant.

Varumärke
Tyrolit
Artikelnummer
G597430B126
Lagerstatus
Slipmetod: VerktygsslipningForm: 12A2D

Nedladdningsbara filer

Produktbeskrivning

Utförande
Verktygsslipskivor med CBN-slipmedelsbeläggning i fenoplastlim för lång livslängd och kontinuerligt hög avverkning. Sandwichhållarsystemet av legerad aluminium garanterar god vibrationsdämpning och därmed lugn slipning med konstanta slipresultat i kombination med hög ytkvalitet.

Användningsdata
Universellt användbara för verktygsslipning på alla vanliga verktygsslipmaskiner. För slipning av höglegerat (HSS) verktygs- och sätthärdningsstål, stellit. Lämpar sig mycket väl för torrslipning men kan även användas för våtslipning.
Utförande
För hög ytjämnhet i kombination med effektiv avverkning.
Specifikation: B126C75B AMIGO-HSS.

Teknisk data

Form 12A2D
Skiv-⌀ d 150 mm
Slipmetod Verktygsslipning
Skivbredd d 25 mm
Hål-⌀ h 20 mm
Produktslag Stödtallrikar
Produktnamnsattribut 150×25×20
Slipmedel Kubisk bornitrid
Slipbeläggning bredd w framsida 10 mm
Slipbeläggning höjd x 3 mm
Specifikation B126C75B AMIGO-HSS.
Slipmedlets beteckning CBN
Kornstorlek B126

Användningsdata

Produktspecifikation

Artikelnummer G597430B126
EAN 9003175285761
Lägg till i varukorgen