5-axligt skruvstycke SC5X-M-S L-500 mm
!
Detta är en beställningsvara med längre leveranstid. Läs mer om våra leveranstider här.
- Varumärke
- Gressel
- Artikelnummer
- GRTMM12506401
- Lagerstatus
Nedladdningsbara filer
Styckpris:
38 008 kr
5-axligt mekaniskt skruvstycke SC5X-M L-800 mm, höjd 181 mm. Med flyttbara centrerande backar och baskropp 800 mm. Utan snabbväxlingsbackar, utan spännarm och utan spännklor. Utvecklat för högsta precision, maximal effektivitet och enkel hantering.
Teknisk data
| advantages of product (sv-SE) | Stort spännområde; Optimal åtkomst; Integrerad vibrationsdämpning |
|---|---|
| Vikt kg | 31.1 |
| Produktslag | 5-axligt skruvstycke |
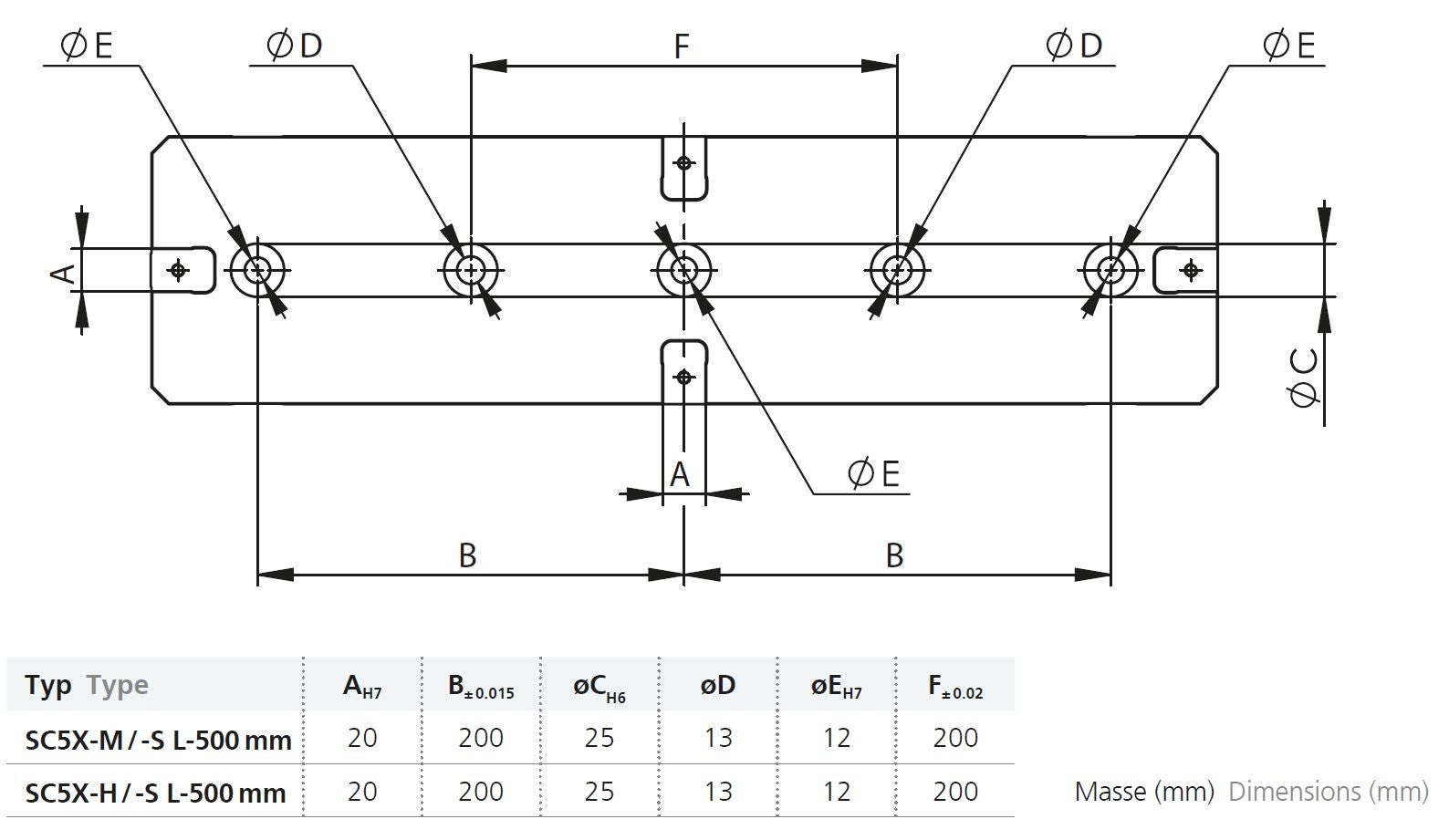
| Längd l | 500 mm |
| Backbredd | 125 mm |
| Höjd h | 142 mm |
| Spännkraft upp till max | 50 kN |
| Serie | SC5X |
Produktspecifikation
| Artikelnummer | GRTMM12506401 |
|---|---|
| Tillverkarens artikelnummer | TMM.125.064.01 |