Flytande hylsa

!

Pris saknas på produkten. Vänligen kontakta din Ravema-representant.

Varumärke
Garant
Artikelnummer
370109
Lagerstatus
I lager

Nedladdningsbara filer

Produktbeskrivning

Material
Sätthärdningsstål

Användningsdata
I plattan som ska spännas fast monteras två centriska och två flytande hylsor för att erhålla maximal repetitionsnoggrannhet.

Anmärkning
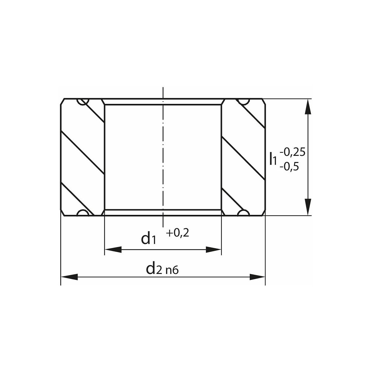
Krav på monteringshålet, höjd ± 0,05 mm och ⌀ H7.

Teknisk data

Produktslag Uttag
⌀ d1 20.8 mm
⌀ d2 n6 35 mm

Produktspecifikation

Artikelnummer 370109
EAN 4045197949523
Lägg till i varukorgen