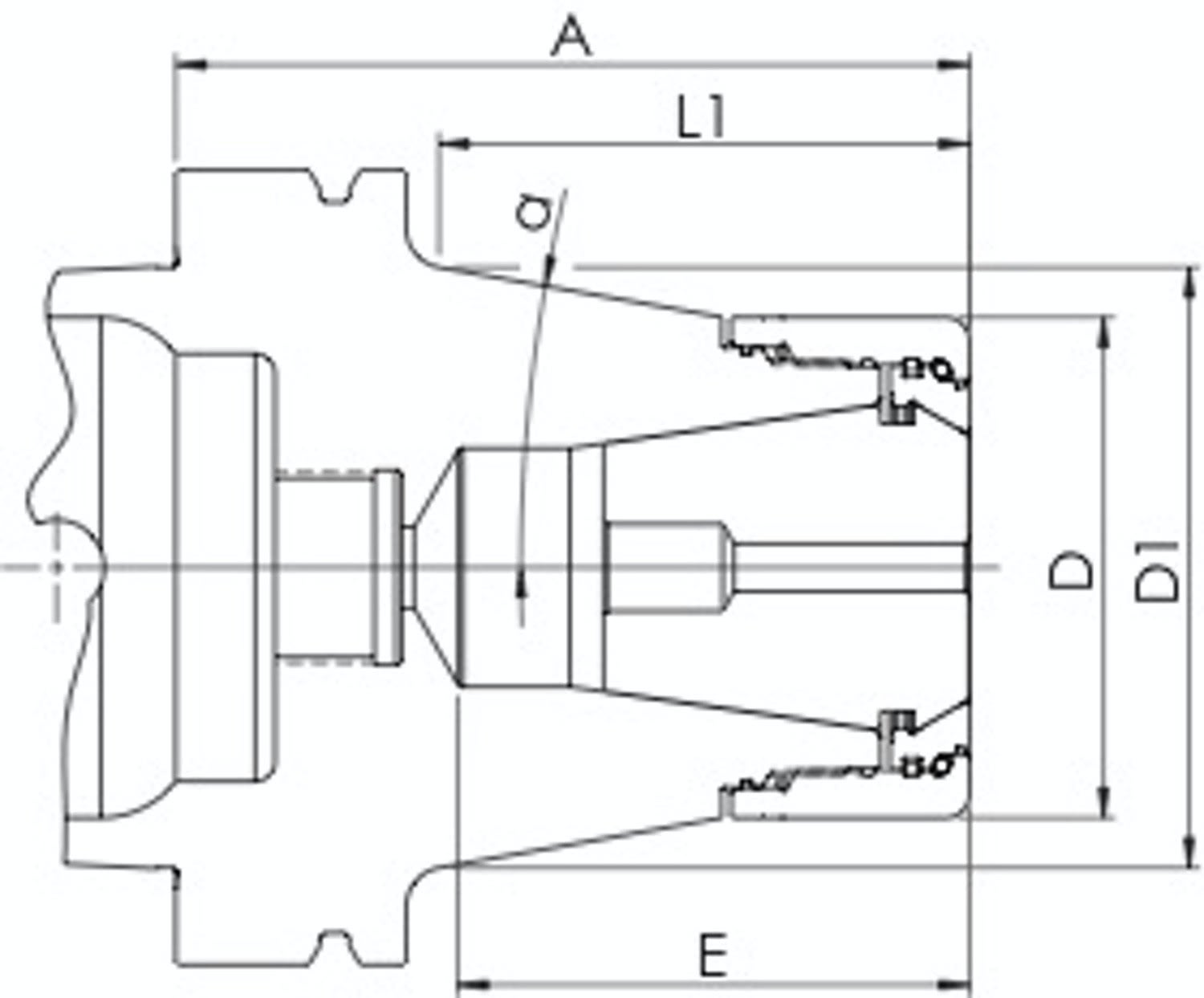
FPC32-HSK-A100-A=160
- Varumärke
- Fahrion
- Artikelnummer
- FA63186301609
- Lagerstatus
Fördelar med produkt
good damping, high runout accuracy, compact, long version, very high holding force, very rigidgood damping, high runout accuracy, compact, long version, very high holding force, very rigidTeknisk data
| Tool Type | ER |
|---|---|
| size of interface | 100 |
| clamping range | ER32 - 2-20 mm |
| Direkt från leverantör? | Fahrion |
| Kona/fäste | HSK-A 100 |
Produktspecifikation
| Artikelnummer | FA63186301609 |
|---|---|
| Tillverkarens artikelnummer | 63186301609 |