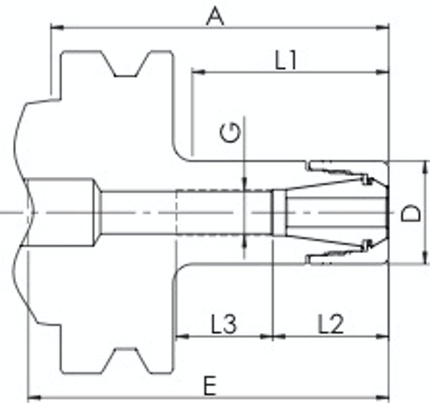
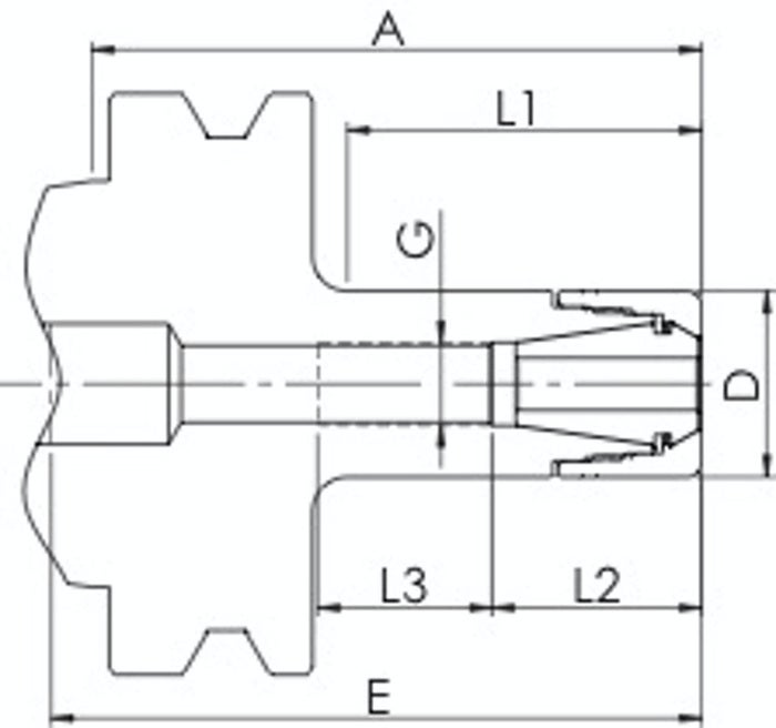
DPC20-BT50-A=105 (AD)
- Varumärke
- Fahrion
- Artikelnummer
- FA62464301055
- Lagerstatus
Fördelar med produkt
good damping, high holding force, high runout accuracy, rigid, universalgood damping, high holding force, high runout accuracy, rigid, universalTeknisk data
| Tool Type | ER |
|---|---|
| size of interface | 50 |
| clamping range | ER20 - 1-13 mm |
| Direkt från leverantör? | Fahrion |
| Kona/fäste | BT 50 |
Produktspecifikation
| Artikelnummer | FA62464301055 |
|---|---|
| Tillverkarens artikelnummer | 62464301055 |